|
|||||||
|
|
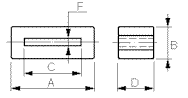
Неразъемные ферриты на плоский кабель
Рис.1
Рис.2
Рис.3
| Item | Other Dimensions | Typical Impedance (ohm) | Shape Fig | Документация | |||
| Material | RP A*B*D (mm) | C | F | 25MHz | 100MHz | ||
| M1 | RP 15.5*4.8*11.4 | 12.7 | 0.6 | 39 | 142 | 1 | |
| L92 | RP 23.3*3*7 | 20 | 0.9 | 25 | 86 | 2 | |
| L92 | RP 23.3*3*12 | 20 | 0.9 | 37 | 113 | 2 | |
| L92 | RP 24.5*4.7*12 | 20 | 0.8 | 45 | 130 | 1 | |
| L92 | RP 28*7.8*14.6 | 23 | 1.5 | 52 | 126 | 3 | |
| L92 | RP 28.5*6.5*8 | 23.5 | 0.9 | 38 | 115 | 1 | |
| L92 | RP 28.5*6.5*18 | 23.5 | 0.9 | 67 | 180 | 1 | |
| L92 | RP 29.2*7.8*25 | 25.4 | 1.3 | 83 | 184 | 1 | |
| L92 | RP 31*5*12 | 27 | 1.0 | 40 | 120 | 1 | |
| L92 | RP 33.5*6.5*12 | 27 | 1.4 | 38 | 112 | 1 | |
| L92 | RP 33.5*6.5*20 | 27 | 1.4 | 55 | 150 | 1 | |
| L92 | RP 38.5*4*12 | 35 | 0.8 | 41 | 122 | 1 | |
| L92 | RP 40*6.5*12 | 35 | 1.4 | 39 | 114 | 1 | |
| L92 | RP 40*10*12.5 | 32 | 2.0 | 49 | 129 | 2 | |
| L92 | RP 45.2*6.5*12 | 40 | 1.4 | 38 | 114 | 1 | |
| L92 | RP 49.6*6.5*12 | 44 | 1.4 | 38 | 113 | 1 | |
| L92 | RP 57.6*6.5*12 | 52 | 1.4 | 43 | 129 | 1 | |
| L92 | RP 60*12*12.7 | 48 | 2.2 | 48 | 140 | 2 | |
Разъемные ферриты на плоский кабель


| Item | Dimension (mm) | Typical Impedance (ohm) | ||||||
| A | C | D | E | G | 25MHz | 100MHz | ||
| RPU 460324-4 | 46 | 42 | 24 | 3 | 0.4 | 83 | 210 | |
| RPC 460324-8 | 0.8 | 61 | 153 | |||||
| RPU 460524-4 | 46 | 42 | 24 | 5 | 0.4 | 108 | 275 | |
| RPC 460524-8 | 0.8 | 80 | 210 | |||||
| RPU 560324-4 | 56 | 52 | 24 | 3 | 0.4 | 83 | 210 | |
| RPC 560324-8 | 0.8 | 61 | 153 | |||||
| RPU 560524-4 | 56 | 52 | 24 | 5 | 0.4 | 108 | 275 | |
| RPC 560524-8 | 0.8 | 80 | 210 | |||||